Saubillige
Preise
Schnelle Lieferung
Über 360.000
Artikel online
Professionelle Beratung
+49 (0) 9602 / 94 24 94 6
1

Artikelvergleich

Die Angaben zu Ihrem Fahrzeug sind unvollständig. Bitte vervollständigen Sie Ihre Angaben.

Sie haben Ihr Fahrzeug gewählt aber der Artikel passt nicht? Suchen Sie den passenden Artikel in der Kategorie Relais.

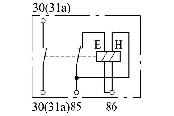
BOSCH 0 333 301 010 Batterierelais (0333301010)

BOSCH
Produktinformationen für "BOSCH Batterierelais "
Technische Daten
  • Schalterfunktion: Schließer
  • Stromstärke [A]: 4,5
  • Spannung [V]: 24
  • Anzahl der Steckkontakte: 1
  • Relaisfunktion: Batteriehauptschalter
  • Gehäusetyp: Metallgehäuse
  • Temperaturbereich von [°C]: -30
  • Temperaturbereich bis [°C]: 100
  • Länge [mm]: 124
  • Breite [mm]: 110
  • Höhe [mm]: 160
EAN: 3165141685978
Höhe [mm]:
160
Name:
Robert Bosch GmbH
Telefon:
+49(0)7219420
Straße, Hausnr:
Auf der Breit 4
PLZ, Ort:
76227  Karlsruhe
Land:
Deutschland
Hersteller Modell Typ Leistung Hubraum Baujahr HSN TSN Einschränkungen

OE-Nummern

  • DAF 0103163
  • DAF 0103183
  • DAF 0523803
  • DAF 103183
  • DAF 523803
  • FAUN 1731 151
  • FENDT 656108390
  • FIAT 2806754
  • HANOMAG RHEINSTAHL 431351501
  • HENSCHEL 903 755
  • INTERNATIONAL HARV. H241139
  • IVECO 00000002806754
  • IVECO 1163810
  • IVECO 2806754
  • KÄSSBOHRER 7 341 103 000 0
  • LIEBHERR 630 103 608
  • MAGIRUS-DEUTZ 01163810
  • MAGIRUS-DEUTZ 03499131
  • MAGIRUS-DEUTZ 116 3810
  • MAGIRUS-DEUTZ 349 9131
  • MAGIRUS-DEUTZ 7101 62 138 10
  • MAGIRUS-DEUTZ A24VH7606
  • MAN 81 25902 0158
  • MAN 81 25927 0045
  • MAN 90 81616 0505
  • MERCEDES-BENZ 000 542 72 19
  • MERCEDES-BENZ A 000 542 72 19
  • MTU 0005427219
  • NISSAN 25100 G9700
  • POCLAIN H0241139
  • SCANIA 263780
  • STEINBOCK 025507
  • STEYR 589991022950
  • ZETTELMEYER 34025677

Kunden kauften auch
Ihre Vorteile

Saubilliger Preis
Schnelle Lieferung
Professionelle Beratung

Zahlungsarten
Versandarten