Saubillige
Preise
Schnelle Lieferung
Über 360.000
Artikel online
Professionelle Beratung
+49 (0) 9602 / 94 24 94 6
1

Artikelvergleich

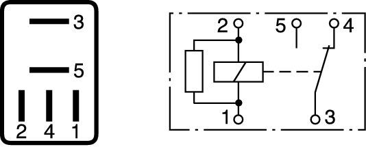
BOSCH 0 332 207 406 Multifunktionsrelais (0332207406)

BOSCH
Produktinformationen für "BOSCH Multifunktionsrelais "
Verwendungsnummern
  • MR406
Technische Daten
  • Schalterfunktion: Wechsler
  • Temperaturbereich von [°C]: -40
  • Temperaturbereich bis [°C]: 100
  • Widerstand [Ohm]: 27
  • crossreference: BOSCH 0 332 207 405
  • crossreference: BOSCH 0 986 AH0 305
  • crossreference: PE Automotive 090 282 405
EAN: 3165143398043
Name:
Robert Bosch GmbH
Telefon:
+49(0)7219420
Straße, Hausnr:
Auf der Breit 4
PLZ, Ort:
76227  Karlsruhe
Land:
Deutschland

OE-Nummern

  • MAN 81 25902 0476

Kunden kauften auch
Ihre Vorteile

Saubilliger Preis
Schnelle Lieferung
Professionelle Beratung

Zahlungsarten
Versandarten